- کشور سازنده :
- انگلستان
- برند :
- منروز
- نوع محصول :
- هواکش صنعتی
اگر محصولی که می خواهید را پیدا نکردید و یا با قیمت آن مشکل داشتید، حتما با ما تماس بگیرید.
اگر محصولی که می خواهید را پیدا نکردید و یا با قیمت آن مشکل داشتید، حتما با ما تماس بگیرید.
هواکش صنعتی سبک فلزی دمنده 40 سانت 2800 دور – تک فاز - دارای پروانه 5 پره فلزی – درجه حفاظت موتور IP44 - ابعاد بیرونی 500 در 500 میلیمتر - قدرت هوادهی 3600 مترمکعب در ساعت
تهویه دمنده مدل سبک فلزی 40 از انواع هواکش صنعتی است که در مقایسه با نوع خانگی ابعاد بزرگتر و وزن بیشتری دارد و به دلیل داشتن الکتروموتور با توان و قدرت بالا می تواند در مکان های صنعتی ، انبارها ، رستوران ها ، کارگاه ها ، پارکینگ ها ، خشکشویی ها ، کابین ها و غیره مورد استفاده واقع شود. این محصول که در دسته هواکش آکسیال قرار دارد به گونه ای طراحی شده است که جریان هوا را به صورت موازی با محور پروانه به داخل دستگاه هدایت می کند و با دارا بودن موتوری با توان 200 وات می تواند به خوبی هوا را جا به جا کند.
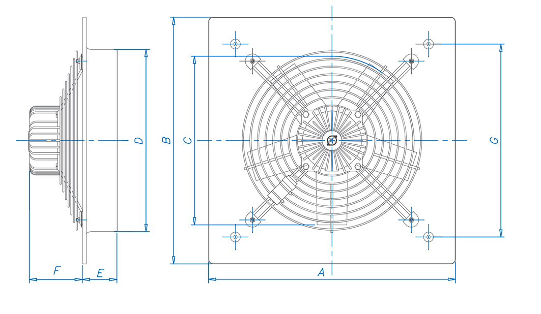
هواکش دمنده مدل سبک فلزی 40 سانت 2800 دور دارای پروانه 5 پره فلزی است که قطر ورودی آن 400 میلیمتر می باشد همچنین درجه حفاظت موتور در این محصول IP44 است به این معنی که دستگاه در برابر ورود اجسام خارجی با قطر بیشتر از یک میلیمتر و نیز پاشش آب یا وجود رطوبت مقاوم است. در شکل زیر ابعاد و اندازه این هواکش دمنده را می توانید ملاحظه نمایید تا در زمان نصب دچار مشکل نشوید.
A برابر با 500 میلیمتر
B برابر با 500 میلیمتر
C برابر با 380 میلیمتر
D برابر با 400 میلیمتر
E برابر با 75 میلیمتر
F برابر با 95 میلیمتر
G برابر با 425 میلیمتر
شما می توانید برای خرید هواکش دمنده 40 سانت مدل سبک فلزی و یا برای اطلاع از قیمت تهویه صنعتی دمنده مدل سبک فلزی 40 سانت به سایت لایت هوم مراجعه نمایید و با اطمینان خرید خود را انجام دهید. همچنین در جدول زیر مدل های مختلف هواکش دمنده مدل فلزی سبک که به لحاظ قطر فن ، ابعاد ، سرعت دور موتور ، توان ، وزن و غیره متفاوت هستند را می توانید مشاهده نمایید.
| مدل | قطر فن | ولتاژ | جریان مصرفی | توان | فرکانس | برق کارخانه | سرعت دور موتور | قدرت هوادهی | حفاظت موتور | وزن | 
| (MM) | (V) | (A) | (W) | (Hz) | Cosφ | R.P.M | m³/h | IP | Kg | |
| VID-30D2S | 300 | 220 | 0.65 | 140 | 50 | 0.92 | 2500 | 2200 | 44 | 6.3 | 
| VID-30D4S | 300 | 220 | 0.6 | 110 | 50 | 0.9 | 1450 | 1900 | 44 | 6.3 | 
| VID-35D2S | 350 | 220 | 1 | 155 | 50 | 0.92 | 2450 | 2500 | 44 | 6.8 | 
| VID-35D4S | 350 | 220 | 0.7 | 108 | 50 | 0.98 | 1400 | 2000 | 44 | 6.8 | 
| VID-40D2S | 400 | 220 | 1.2 | 200 | 50 | 0.98 | 2800 | 3000 | 44 | 7.4 | 
| VID-40D4S | 400 | 220 | 0.8 | 140 | 50 | 0.96 | 1400 | 2800 | 44 | 7.4 | 
| VID-40D4T | 400 | 380 | 0.7 | 135 | 50 | 0.6 | 1420 | 3500 | 44 | 7.4 | 
| VID-45D4S | 450 | 220 | 0.75 | 154 | 50 | 0.96 | 1320 | 3550 | 44 | 8.7 | 
| VID-45D4T | 450 | 380 | 0.7 | 160 | 50 | 0.6 | 1350 | 4200 | 44 | 8.7 | 
| VID-50D4S | 500 | 220 | 0.8 | 170 | 50 | 0.96 | 1250 | 4800 | 44 | 9 | 
| VID-50D4T | 500 | 380 | 0.7 | 360 | 50 | 0.77 | 1300 | 4800 | 44 | 9 | 
| VID-60D4S | 600 | 220 | 1.5 | 320 | 50 | 0.96 | 1200 | 7700 | 44 | 13 | 
| VID-60D4T | 600 | 380 | 0.95 | 450 | 50 | 0.72 | 1300 | 8300 | 44 | 13 | 
 
                                            	                                    هواکش صنعتی سبک فلزی دمنده 40 سانت 2800 دور – تک فاز - دارای پروانه 5 پره فلزی – درجه حفاظت موتور IP44 - ابعاد بیرونی 500 در 500 میلیمتر - قدرت هوادهی 3600 مترمکعب در ساعت
عنوان ضروری است
نام شما ضروری است
نقدوبرریس ضروری است
@COMMENT_COMMENT@
@COMMENT_COMMENT@
لطفا ابتدا وارد شوید.
ورود به حساب کاربرییک حساب کاربری رایگان برای ذخیره آیتمهای محبوب ایجاد کنید.
ورود به حساب کاربری
@COMMENT_TITLE@
@COMMENT_COMMENT@